Observer effect, 2016-2023
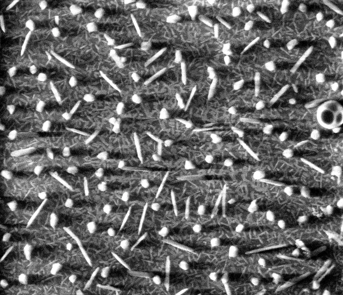
Dans le domaine scientifique, le paradoxe de l’observateur décrit en quoi l’introduction des instruments dans une expérience peut altérer l’état de ce qui est observé. La photographie n’échappe pas à ce paradoxe. L'agrandissement a longtemps été un terme fa- milier en photographie et désignait le processus de base dans la chambre noire consistant à produire un positif plus grand à partir d'un petit négatif. Si l'on transfère le processus d'agrandissement (magnification) à un micro- scope électronique à balayage, ce n'est plus l'image enregistrée sur le négatif qui est agrandie, mais la nature matérielle du négatif en noir et blanc. Les particules d'argent noircies par la lumière ne nous montrent plus notre monde, mais le leur. Et plus quelque chose est décrit en détail, plus il nous est difficile de suivre sa description. Pourtant, il s’agit ici du négatif d’un autoportrait en noir et blanc.
